产品中心
进口Y型带夹套法兰连接焊接式过滤器
类别:进口过滤器 发布时间:2021-01-11 11:10 浏览: 次

格林巴赫托普,巴赫BACH进口泵阀品牌。
格林巴赫托普,专注于进口Y型带夹套法兰连接焊接式过滤器制造商,主要产品:水泵,阀门,水处理设备等系列产品的制造、销售、售后服务,进口Y型带夹套法兰连接焊接式过滤器产品应用在化工、石化、石油、造纸、采矿、电力、液化气、食品、制药、给排水等领域。
|
过滤器是从流体中分离固体颗粒杂质,提高产品纯度,保护设备 ( 压缩机、泵、仪表等 ) 安全工作的产品。 格林巴赫生产的系列过滤器其强度和密封试验执行中国 HGJ532-91 系列标准 ,其种类有Y型、T型、锥型、篮式、罐型等。 接管形式有对焊连接、法兰连接和丝口连接。 壳体材质有碳钢、铸钢、各种牌号的不锈钢等。 |
|||||||||||||||||||||||||||||||||||||||||||||||||||||||||||||||||||||||||
| 1、Y型同径法兰连接铸造式过滤器(DGYI-F型) | |||||||||||||||||||||||||||||||||||||||||||||||||||||||||||||||||||||||||
|
|||||||||||||||||||||||||||||||||||||||||||||||||||||||||||||||||||||||||
|
|||||||||||||||||||||||||||||||||||||||||||||||||||||||||||||||||||||||||
|
图表(DN15-50、PN≤5.0MPa)
|
|||||||||||||||||||||||||||||||||||||||||||||||||||||||||||||||||||||||||
| 2、Y型法兰连接焊接式过滤器(DGYII-F型) | |||||||||||||||||||||||||||||||||||||||||||||||||||||||||||||||||||||||||
|
|||||||||||||||||||||||||||||||||||||||||||||||||||||||||||||||||||||||||
|
|||||||||||||||||||||||||||||||||||||||||||||||||||||||||||||||||||||||||
|
|||||||||||||||||||||||||||||||||||||||||||||||||||||||||||||||||||||||||
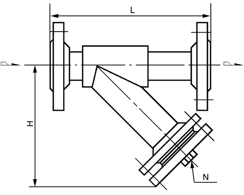
| 3、Y型带夹套法兰连接焊接式过滤器(DGYJII-F型) | |||||||||||||||||||||||||||||||||||||||||||||||||||||||||||||||||||||||||
|
|||||||||||||||||||||||||||||||||||||||||||||||||||||||||||||||||||||||||
|
|||||||||||||||||||||||||||||||||||||||||||||||||||||||||||||||||||||||||
| 4、Y型异径对焊连接焊接过式过滤器(DGYJII-W型) | |||||||||||||||||||||||||||||||||||||||||||||||||||||||||||||||||||||||||
|
|||||||||||||||||||||||||||||||||||||||||||||||||||||||||||||||||||||||||
|
|||||||||||||||||||||||||||||||||||||||||||||||||||||||||||||||||||||||||
声明:本产品介绍中所有文字、数据、图片考虑到使用工况条件不同,难免会产生误差、不恰当或是有不充分的描述,故均适用于参考,同一种产品在不同的场合与工况有不同的搭配,如果您对本文中所提供的产品内容有任何疑问,如果您是非专业人士,欢迎您向本公司来电咨询,请您联系我们,我们将竭诚为您服务!
技术QQ;1104602307
销售电话 :13621840325(微信同号)。






